91免费版污网站机械提供91免费视频观看回收造粒设备高速91免费黄视频软件、高速造粒机。其中高速造粒机是一种将废弃的热塑性薄膜及壁厚小于2毫米的制品进行直接造粒的设备。...
发布时间:2017-11-1491免费版污网站机械提供91免费视频观看高速91免费黄视频软件、91免费视频观看自动加料机,下面介绍一下辅助机械系列91免费视频观看自动加料机...
发布时间:2017-11-0991免费版污网站机械提供91免费视频观看高速91免费黄视频软件、91免费视频观看辅助机械,下面介绍一下辅助机械自动加料机...
发布时间:2017-11-06根据工作情况,91免费视频观看撕碎机、切粒机都要涂ZG-2钙基润滑脂,并经常保持齿面润滑。...
发布时间:2017-11-0291免费版污网站提供91免费视频观看撕碎机、91免费视频观看切线机,91免费视频观看切线机适用于玻纤、矿物、增强91免费视频观看、橡胶共混物、PVC、PBT、PA、PP、PE、PS、PET、ABS等造粒。...
发布时间:2017-10-30本厂生产的91免费视频观看破碎机、边料回收机,曾多方吸收国、内外先进技术,设计合理,反复试验,不断改进,终于试制成功具实用、能耗低的边料回收设备。...
发布时间:2017-10-26高速91免费黄视频软件组与电控箱分别安装于水泥基础或牢固的钢架基础上。校正于水平位置,用六个地脚螺栓固定。...
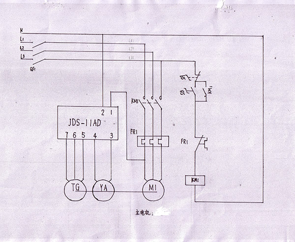
发布时间:2017-10-23高速91免费黄视频软件的电控箱为立式的,与91免费黄视频软件分开,电箱面上装有电加热电流表、加热温度、物料温度、冷混温度指示、91免费黄视频软件的启动、停止按钮、卸料门的开启、关闭等按钮。...
发布时间:2017-10-19高速91免费黄视频软件组由底座、传动、锅体、锅盖、升降、出料口及电控箱七个部分组成。高速91免费黄视频软件的锅体由不锈钢焊成,内表面极为光滑坚硬,具有耐磨、耐腐蚀、不易沾料等特点...
发布时间:2017-10-16SRL系列91免费黄视频软件组,主要是用于聚氯乙烯树脂的混合、着色、聚乙烯、聚丙烯颗粒的着色、干燥、ABS、聚碳酸脂等吸湿性树脂成型和加工前的干燥,酚醛树脂的混合等工序。...
发布时间:2017-10-12